Van áp HCT-06-C-4
Thông số sản phẩm
Xuất xứ:
Model:
Lưu lượng:
Áp suất:
Camel-Taiwan
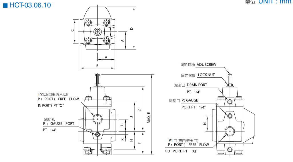
HCT-06-C-4
125 lít/phút
210 bar
Mô tả sản phẩm
⚙️ VAN ÁP HCT-06-C-4 – VAN GIỚI HẠN ÁP SUẤT CHO HỆ THỐNG THỦY LỰC
- Van áp HCT-06-C-4 là dòng van giới hạn áp suất (van xả áp) chuyên dùng trong các hệ thống thủy lực có yêu cầu độ ổn định và an toàn cao. Van giúp bảo vệ bơm, đường ống và các thiết bị thủy lực bằng cách xả dầu về thùng khi áp suất vượt quá mức cài đặt.
Thông số kỹ thuật cơ bản


Ưu điểm nổi bật của van áp HCT-06-C-4
- Phản hồi nhanh khi áp suất vượt ngưỡng
- Giữ áp ổn định, bảo vệ bơm và thiết bị
- Kết cấu gọn, chắc chắn, chịu áp tốt
- Hoạt động bền bỉ trong môi trường công nghiệp
- Dễ lắp đặt, điều chỉnh và bảo trì
Nguyên lý hoạt động
- Van áp HCT-06-C-4 hoạt động dựa trên lực lò xo điều chỉnh. Khi áp suất dầu trong mạch vượt quá giá trị cài đặt, van mở để xả dầu về thùng. Khi áp suất giảm xuống mức an toàn, van tự động đóng lại, duy trì áp suất ổn định cho hệ thống.
Ứng dụng thực tế
- Bộ nguồn thủy lực công suất vừa và nhỏ
- Hệ thống bảo vệ bơm thủy lực
- Máy ép, máy dập
- Dây chuyền sản xuất công nghiệp
- Các mạch thủy lực yêu cầu giới hạn áp suất chính xác
Vì sao nên chọn van áp HCT-06-C-4?
- Bảo vệ hệ thống hiệu quả trước quá áp
- Chuẩn CETOP phổ biến, dễ thay thế
- Hoạt động ổn định, độ bền cao
- Phù hợp nhiều ứng dụng thủy lực khác nhau













