Van một chiều CRG-03-05
Thông số sản phẩm
Xuất xứ:
Model:
Lưu lượng:
Áp suất:
Camel-Taiwan
CRG-03-05
40 lít/phút
250 bar
Mô tả sản phẩm
⚙️ Van một chiều CRG-03-05 – Van chống chảy ngược cho hệ thống thủy lực
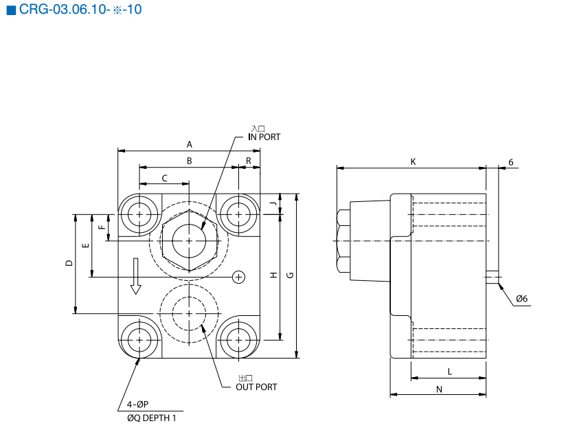
- Van một chiều CRG-03-05 là thiết bị thủy lực dùng để cho phép dầu chảy theo một chiều duy nhất và ngăn chảy ngược, giúp bảo vệ bơm, xi lanh và các phần tử trong mạch thủy lực. Van được thiết kế chuẩn lắp đế G03 (CETOP 03), phù hợp với các hệ thống thủy lực tiêu chuẩn hiện nay.
- CRG-03-05 giúp hệ thống vận hành ổn định, giữ áp hiệu quả và nâng cao độ an toàn trong quá trình làm việc.
📌 Thông số kỹ thuật van một chiều CRG-03-05


⭐ Ưu điểm nổi bật của van một chiều CRG-03-05
- Ngăn chảy ngược hiệu quả và chính xác
- Phản hồi nhanh, tổn thất áp suất thấp
- Thiết kế gọn, chuẩn G03 phổ biến
- Chịu áp cao, độ bền tốt
- Dễ lắp đặt, dễ thay thế và bảo trì
⚙️ Nguyên lý hoạt động
Van một chiều CRG-03-05 hoạt động theo nguyên lý bi – lò xo.
- Khi dầu chảy đúng chiều, áp lực dầu thắng lực lò xo → van mở cho dầu đi qua.
- Khi dầu có xu hướng chảy ngược, lò xo đẩy bi đóng kín → ngăn dòng chảy ngược, giữ áp cho hệ thống.
🏭 Ứng dụng thực tế
Van một chiều CRG-03-05 thường được sử dụng trong:
- Bộ nguồn thủy lực G03
- Mạch giữ áp cho xi lanh thủy lực
- Hệ thống bảo vệ bơm thủy lực
- Máy ép, máy chấn, máy dập
- Các mạch thủy lực yêu cầu dòng chảy một chiều
✅ Vì sao nên chọn van một chiều CRG-03-05?
- Bảo vệ hệ thống thủy lực hiệu quả
- Chuẩn lắp G03 dễ thay thế, đồng bộ
- Hoạt động ổn định, tuổi thọ cao
- Phù hợp nhiều ứng dụng công nghiệp






