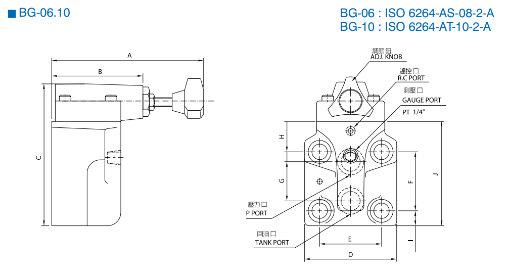
Van áp BG-06-3
Thông số sản phẩm
Xuất xứ:
Model:
Lưu lượng:
Áp suất:
Camel-Taiwan
BG-06-3
200 lít/phút
250 bar
Mô tả sản phẩm
⚙️ Van áp BG-06-3 – Điều chỉnh áp suất ổn định cho hệ thống thủy lực công suất lớn
- Van áp BG-06-3 là van điều chỉnh áp suất thủy lực, được sử dụng để giới hạn và ổn định áp suất làm việc trong các hệ thống thủy lực công suất lớn. Sản phẩm giúp bảo vệ bơm, van phân phối và cơ cấu chấp hành, đảm bảo hệ thống vận hành an toàn và bền bỉ.
📌 Thông số kỹ thuật cơ bản


⭐ Ưu điểm nổi bật của van áp BG-06-3
- Khả năng điều chỉnh áp suất chính xác, phù hợp hệ thống công suất lớn.
- Bảo vệ hiệu quả bơm và các thiết bị thủy lực khỏi hiện tượng quá áp.
- Kết cấu chắc chắn, chịu áp cao, làm việc ổn định trong môi trường công nghiệp nặng.
- Thiết kế chuẩn CETOP giúp lắp đặt, thay thế và bảo trì dễ dàng.
⚙️ Nguyên lý hoạt động
- Van áp BG-06-3 hoạt động dựa trên sự cân bằng giữa áp suất dầu và lực lò xo. Khi áp suất trong hệ thống vượt quá giá trị cài đặt, van sẽ mở để xả dầu về thùng, từ đó duy trì áp suất trong giới hạn an toàn cho phép.
🏭 Ứng dụng thực tế
Van áp BG-06-3 được sử dụng phổ biến trong:
- Bộ nguồn thủy lực công suất lớn
- Hệ thống bảo vệ bơm thủy lực
- Máy ép, máy dập tải trọng lớn
- Dây chuyền sản xuất công nghiệp
- Các mạch thủy lực yêu cầu ổn định áp suất cao
✅ Vì sao nên chọn van áp BG-06-3?
- Điều chỉnh và ổn định áp suất hiệu quả
- Phù hợp hệ thống thủy lực công suất lớn
- Chuẩn CETOP phổ biến, dễ lắp đặt và thay thế
- Độ bền cao, vận hành ổn định lâu dài













