Van áp BG-10-3
Thông số sản phẩm
Xuất xứ:
Model:
Lưu lượng:
Áp suất:
Camel-Taiwan
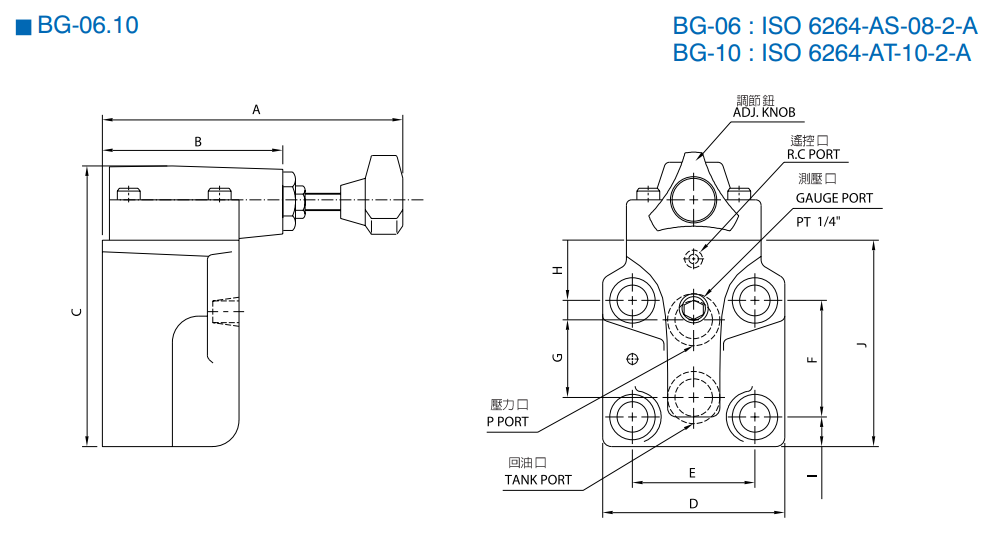
BG-10-3
400 lít/phút
250 bar
Mô tả sản phẩm
⚙️ Van áp BG-10-3 – Kiểm soát áp suất an toàn cho hệ thống thủy lực tải trọng rất lớn
- Van áp BG-10-3 là van điều chỉnh áp suất thủy lực, được thiết kế để giới hạn và ổn định áp suất làm việc trong các hệ thống thủy lực công suất và tải trọng rất lớn. Sản phẩm giúp bảo vệ bơm, van phân phối và cơ cấu chấp hành, đảm bảo hệ thống vận hành ổn định, an toàn và bền bỉ trong môi trường công nghiệp nặng.
📌 Thông số kỹ thuật cơ bản


⭐ Ưu điểm nổi bật của van áp BG-10-3
- Điều chỉnh áp suất chính xác, đáp ứng hệ thống thủy lực tải trọng rất lớn.
- Bảo vệ tối ưu bơm và thiết bị khỏi hiện tượng quá áp.
- Kết cấu cứng cáp, chịu áp cao, phù hợp môi trường công nghiệp nặng.
- Thiết kế chuẩn CETOP giúp lắp đặt, thay thế và bảo trì thuận tiện.
⚙️ Nguyên lý hoạt động
- Van áp BG-10-3 hoạt động dựa trên sự cân bằng giữa áp suất dầu và lực lò xo. Khi áp suất hệ thống vượt quá giá trị cài đặt, van mở để xả dầu về thùng, từ đó duy trì áp suất ổn định trong giới hạn an toàn.
🏭 Ứng dụng thực tế
Van áp BG-10-3 được sử dụng phổ biến trong:
- Bộ nguồn thủy lực công suất rất lớn
- Hệ thống bảo vệ bơm thủy lực
- Máy ép, máy dập tải trọng lớn
- Dây chuyền sản xuất công nghiệp nặng
- Các mạch thủy lực yêu cầu kiểm soát áp suất cao
✅ Vì sao nên chọn van áp BG-10-3?
- Ổn định và giới hạn áp suất hiệu quả
- Phù hợp hệ thống thủy lực tải trọng rất lớn
- Chuẩn CETOP phổ biến, dễ lắp đặt và thay thế
- Độ bền cao, vận hành ổn định lâu dài













