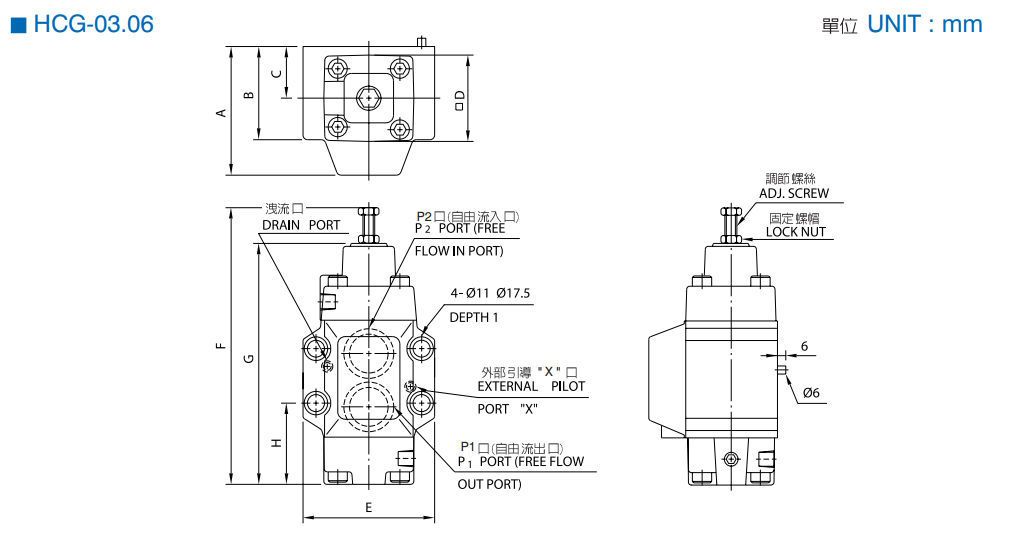
Van áp HCG-03-C-4
Thông số sản phẩm
Xuất xứ:
Model:
Lưu lượng:
Áp suất:
Camel-Taiwan
HCG-03-C-4
50 lít/phút
210 bar
Mô tả sản phẩm
⚙️ VAN ÁP HCG-03-C-4 – VAN GIỚI HẠN ÁP SUẤT CHO HỆ THỐNG THỦY LỰC
- Van áp HCG-03-C-4 là dòng van giới hạn áp suất (van xả áp) chuyên dùng trong các hệ thống thủy lực công suất nhỏ, có nhiệm vụ bảo vệ bơm, đường ống và thiết bị bằng cách xả dầu về thùng khi áp suất vượt quá giá trị cài đặt, giúp hệ thống vận hành an toàn và ổn định.
Thông số kỹ thuật cơ bản


Ưu điểm nổi bật của van áp HCG-03-C-4
- Phản hồi nhanh khi áp suất vượt ngưỡng
- Giữ áp ổn định, bảo vệ bơm và thiết bị
- Kết cấu nhỏ gọn, dễ lắp đặt
- Hoạt động bền bỉ, độ ổn định cao
- Thuận tiện điều chỉnh và bảo trì
Nguyên lý hoạt động
Van áp HCG-03-C-4 hoạt động dựa trên lực lò xo điều chỉnh. Khi áp suất dầu trong mạch vượt quá mức cài đặt, van sẽ mở để xả dầu về thùng. Khi áp suất giảm xuống mức an toàn, van tự động đóng lại, giúp duy trì áp suất ổn định cho hệ thống.
Ứng dụng thực tế
- Bộ nguồn thủy lực công suất nhỏ
- Hệ thống bảo vệ bơm thủy lực
- Máy ép mini, máy dập nhỏ
- Dây chuyền tự động hóa
- Các mạch thủy lực yêu cầu giới hạn áp suất chính xác
Vì sao nên chọn van áp HCG-03-C-4?
- Bảo vệ hệ thống thủy lực hiệu quả
- Chuẩn CETOP thông dụng, dễ thay thế
- Kích thước nhỏ gọn, tiết kiệm không gian
- Vận hành ổn định, bền bỉ lâu dài













