Van áp HG-03-C-4
Thông số sản phẩm
Xuất xứ:
Model:
Lưu lượng:
Áp suất:
Camel-Taiwan
HG-03-C-4
250 lít/phút
210 bar
Mô tả sản phẩm
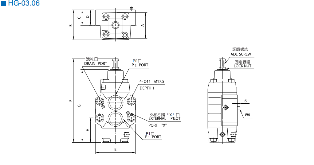
⚙️ VAN ÁP HG-03-C-4 – VAN GIỚI HẠN ÁP SUẤT THỦY LỰC
- Van áp HG-03-C-4 là van giới hạn áp suất (van xả áp) dùng trong hệ thống thủy lực cỡ nhỏ – trung bình, có nhiệm vụ bảo vệ bơm và các thiết bị bằng cách xả dầu khi áp suất vượt quá mức cài đặt, giúp hệ thống vận hành ổn định và an toàn.
Thông số kỹ thuật cơ bản


Ưu điểm nổi bật của van áp HG-03-C-4
- Phản ứng nhanh khi áp suất vượt ngưỡng
- Bảo vệ bơm và đường ống hiệu quả
- Kết cấu chắc chắn, tuổi thọ cao
- Dễ lắp đặt, dễ điều chỉnh áp suất
- Hoạt động ổn định, ít rung lắc
Nguyên lý hoạt động
- Van áp HG-03-C-4 hoạt động dựa trên lực lò xo. Khi áp suất trong hệ thống vượt quá giá trị đã cài đặt, van mở để xả dầu về thùng. Khi áp suất giảm xuống mức an toàn, van tự động đóng lại, duy trì áp suất ổn định cho toàn bộ mạch thủy lực.
Ứng dụng thực tế
- Bộ nguồn thủy lực mini
- Máy ép nhỏ, máy dập
- Hệ thống thủy lực công nghiệp nhẹ
- Dây chuyền tự động hóa
- Các mạch thủy lực cần kiểm soát áp suất chính xác
Vì sao nên chọn van áp HG-03-C-4?
- Chuẩn CETOP 03 phổ biến, dễ thay thế
- Bảo vệ hệ thống thủy lực tối ưu
- Vận hành ổn định, độ bền cao
- Phù hợp nhiều loại bộ nguồn thủy lực













