Van áp HG-06-C-4
Thông số sản phẩm
Xuất xứ:
Model:
Lưu lượng:
Áp suất:
Camel-Taiwan
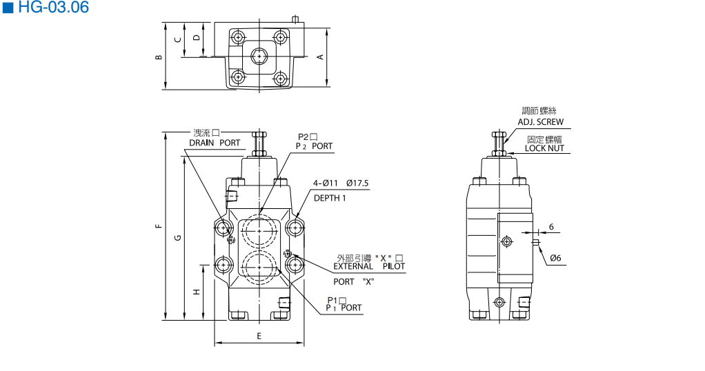
HG-06-C-4
125 lít/phút
210 bar
Mô tả sản phẩm
⚙️ VAN ÁP HG-06-C-4 – VAN GIỚI HẠN ÁP SUẤT CHO HỆ THỐNG THỦY LỰC
- Van áp HG-06-C-4 là dòng van giới hạn áp suất (van xả áp) chuyên dùng trong các hệ thống thủy lực công suất vừa, giúp bảo vệ bơm, đường ống và thiết bị bằng cách xả dầu về thùng khi áp suất vượt quá mức cài đặt, đảm bảo hệ thống vận hành an toàn và ổn định.
Thông số kỹ thuật cơ bản


Ưu điểm nổi bật của van áp HG-06-C-4
- Phản hồi nhanh khi áp suất vượt ngưỡng
- Giữ áp ổn định, bảo vệ bơm và thiết bị
- Kết cấu chắc chắn, làm việc bền bỉ
- Kích thước gọn, dễ lắp đặt
- Thuận tiện điều chỉnh và bảo trì
Nguyên lý hoạt động
Van áp HG-06-C-4 hoạt động theo nguyên lý lò xo điều chỉnh. Khi áp suất dầu trong mạch vượt quá mức cài đặt, van mở để xả dầu về thùng. Khi áp suất giảm xuống mức an toàn, van tự động đóng lại, giúp duy trì áp suất ổn định cho hệ thống.
Ứng dụng thực tế
- Bộ nguồn thủy lực công suất vừa
- Hệ thống bảo vệ bơm thủy lực
- Máy ép, máy dập
- Dây chuyền tự động hóa
- Các mạch thủy lực yêu cầu giới hạn áp suất chính xác
Vì sao nên chọn van áp HG-06-C-4?
- Bảo vệ hệ thống thủy lực hiệu quả
- Chuẩn CETOP phổ biến, dễ thay thế
- Hoạt động ổn định, độ bền cao
- Phù hợp nhiều ứng dụng thủy lực













