Van áp HT-10-C-4
Thông số sản phẩm
Xuất xứ:
Model:
Lưu lượng:
Áp suất:
Camel-Taiwan
HT-10-C-4
250 lít/phút
210 bar
Mô tả sản phẩm
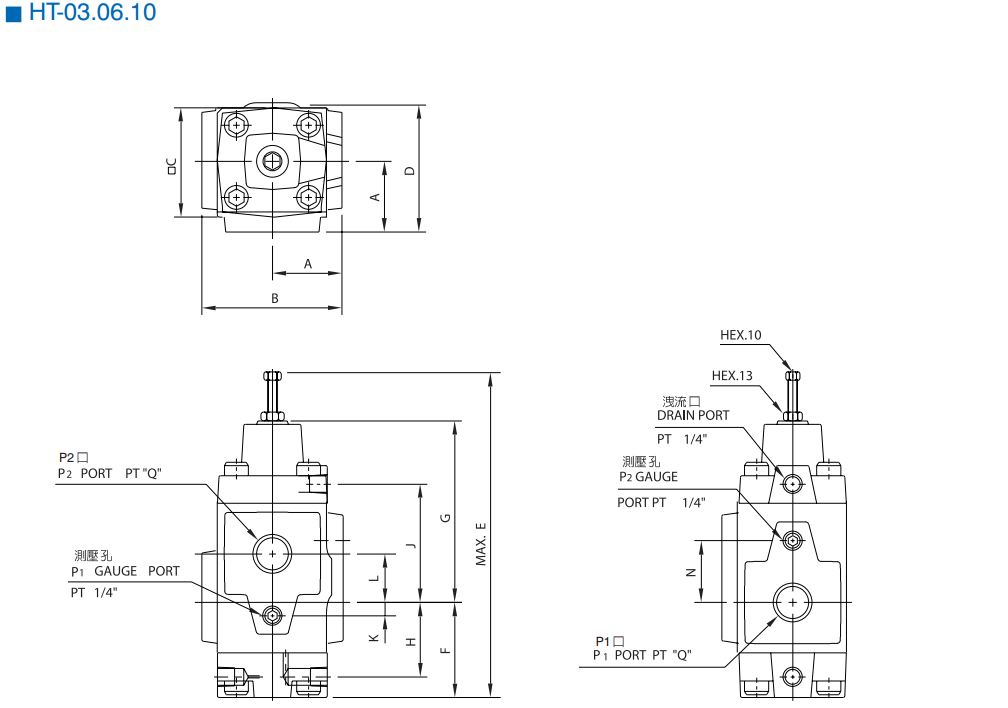
⚙️ VAN ÁP HT-10-C-4 – VAN GIỚI HẠN ÁP SUẤT CHO HỆ THỐNG THỦY LỰC TẢI LỚN
- Van áp HT-10-C-4 là dòng van giới hạn áp suất (van xả áp) được sử dụng để bảo vệ hệ thống thủy lực trước hiện tượng quá áp, đặc biệt phù hợp với các hệ thống có lưu lượng và áp suất lớn. Van giúp xả dầu về thùng khi áp suất vượt quá mức cài đặt, đảm bảo hệ thống vận hành an toàn và ổn định lâu dài.
Thông số kỹ thuật cơ bản


Ưu điểm nổi bật của van áp HT-10-C-4
- Phản hồi nhanh khi áp suất vượt ngưỡng cài đặt
- Giữ áp ổn định, bảo vệ bơm và thiết bị
- Kết cấu chắc chắn, chịu áp và lưu lượng lớn
- Hoạt động ổn định trong môi trường công nghiệp
- Dễ điều chỉnh áp suất, thuận tiện bảo trì
Nguyên lý hoạt động
- Van áp HT-10-C-4 hoạt động dựa trên lực lò xo điều chỉnh. Khi áp suất dầu trong hệ thống vượt quá giá trị đã cài đặt, van sẽ mở để xả dầu về thùng. Khi áp suất giảm xuống mức an toàn, van tự động đóng lại, giúp duy trì áp suất ổn định cho mạch thủy lực.
Ứng dụng thực tế
- Bộ nguồn thủy lực công nghiệp
- Hệ thống bảo vệ bơm thủy lực
- Máy ép, máy dập tải lớn
- Dây chuyền sản xuất công nghiệp
- Các mạch thủy lực yêu cầu giới hạn áp suất chính xác
Vì sao nên chọn van áp HT-10-C-4?
- Bảo vệ hệ thống thủy lực hiệu quả trước quá áp
- Phù hợp hệ thống áp suất và lưu lượng lớn
- Chuẩn lắp phổ biến, dễ thay thế
- Độ bền cao, vận hành ổn định lâu dài













