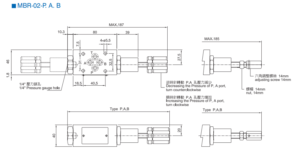
Van áp MBR-02-P-3
Thông số sản phẩm
Xuất xứ:
Model:
Lưu lượng:
Áp suất:
Camel-Taiwan
MBR-02-P-3
50 lít/phút
250 bar
Mô tả sản phẩm
🔧 Van áp (van giảm áp) MBR-02-P-3 – Điều chỉnh áp suất ổn định, bảo vệ hệ thống
- Van áp MBR-02-P-3 là van giảm áp thủy lực dạng module, dùng để điều chỉnh và duy trì áp suất ổn định cho từng nhánh hoặc toàn bộ hệ thống thủy lực. Sản phẩm giúp hạn chế quá áp, bảo vệ bơm, xi lanh và các thiết bị thủy lực, đồng thời nâng cao độ an toàn và tuổi thọ cho hệ thống.
📌 Thông số kỹ thuật cơ bản


⭐ Ưu điểm nổi bật của van áp MBR-02-P-3
- Van cho khả năng điều chỉnh áp suất chính xác, phù hợp cho các mạch thủy lực cần kiểm soát áp lực riêng biệt.
- Thiết kế dạng module giúp lắp đặt gọn gàng, dễ dàng tích hợp vào cụm van phân phối.
- Kết cấu chắc chắn, chịu áp cao, vận hành ổn định trong môi trường công nghiệp.
- Giảm thiểu sự cố quá áp, góp phần bảo vệ thiết bị và giảm chi phí bảo trì.
⚙️ Nguyên lý hoạt động
- Van MBR-02-P-3 hoạt động bằng cách giới hạn áp suất tại đường P. Khi áp suất vượt quá giá trị cài đặt, van sẽ mở để xả dầu về thùng, giúp giảm áp và giữ áp suất ở mức an toàn. Khi áp suất ổn định, van tự động đóng và hệ thống tiếp tục vận hành bình thường.
🏭 Ứng dụng thực tế
Van áp MBR-02-P-3 được sử dụng phổ biến trong:
- Bộ nguồn thủy lực công nghiệp
- Máy ép, máy dập, máy gia công thủy lực
- Hệ thống điều khiển xi lanh yêu cầu giảm áp cục bộ
- Dây chuyền tự động hóa
- Các hệ thống cần kiểm soát áp suất chính xác theo từng nhánh
✅ Vì sao nên chọn van áp MBR-02-P-3?
- Điều chỉnh áp suất ổn định và chính xác
- Bảo vệ hiệu quả bơm và thiết bị thủy lực
- Thiết kế module chuẩn CETOP, dễ lắp đặt
- Phù hợp nhiều hệ thống thủy lực hiện nay













