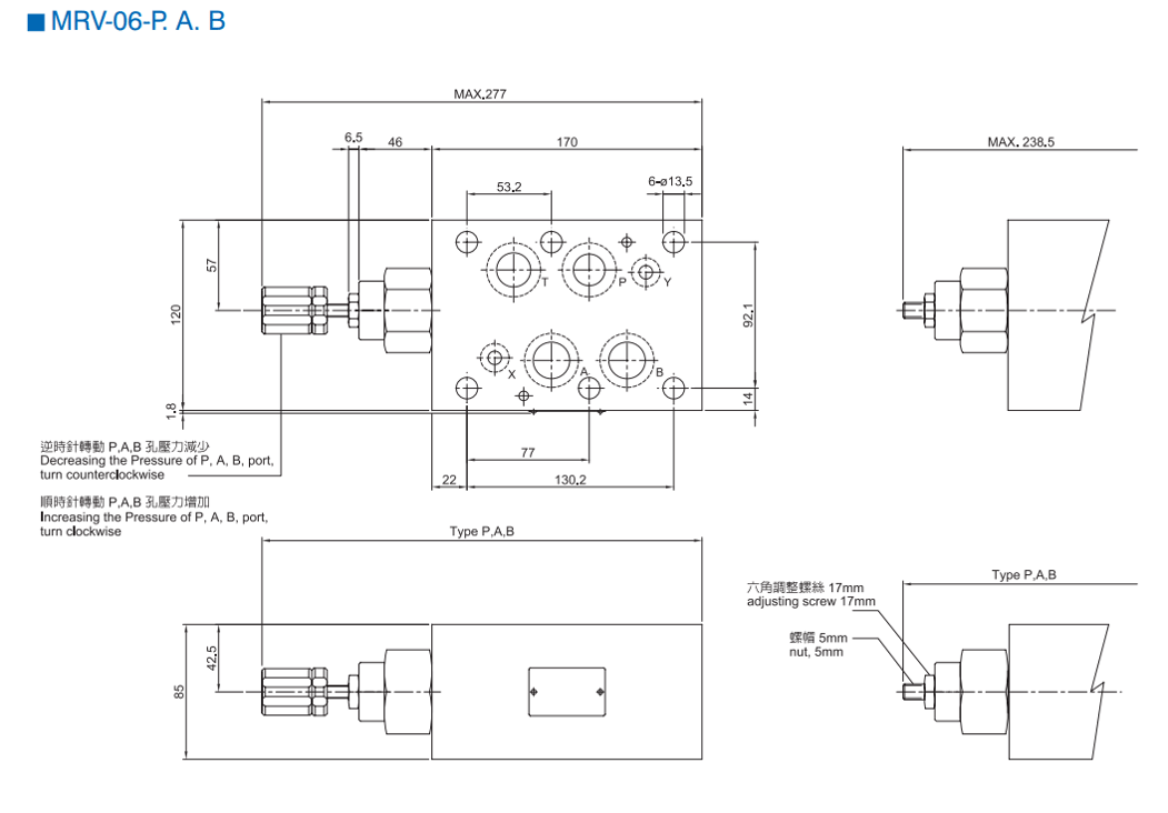
Van áp MRV-06-P-3
Thông số sản phẩm
Xuất xứ :
Model:
Lưu lượng:
Áp suất:
Camel-Taiwan
MRV-06-P-3
150 lít/phút
250 bar
Mô tả sản phẩm
🔧 Van áp (van giảm áp) MRV-06-P-3 – Ổn định áp suất cho hệ thống thủy lực công suất lớn
- Van áp MRV-06-P-3 là van giảm áp thủy lực dạng module, chuyên dùng để điều chỉnh và duy trì áp suất ổn định trong các hệ thống thủy lực công suất trung bình đến lớn. Sản phẩm giúp bảo vệ bơm, xi lanh và các thiết bị thủy lực khỏi tình trạng quá áp, đảm bảo hệ thống vận hành an toàn, ổn định và bền bỉ.
📌 Thông số kỹ thuật cơ bản


⭐ Ưu điểm nổi bật của van áp MRV-06-P-3
- Van cho phép điều chỉnh áp suất chính xác, phù hợp nhiều yêu cầu vận hành khác nhau.
- Thiết kế dạng module giúp lắp đặt gọn gàng, dễ tích hợp vào cụm van phân phối thủy lực.
- năng chịu áp cao, vận hành ổn định trong môi trường công nghiệp.
- Giảm thiểu rủi ro quá áp, bảo vệ thiết bị và kéo dài tuổi thọ hệ thống.
⚙️ Nguyên lý hoạt động
- Khi áp suất trong hệ thống vượt quá giá trị đã cài đặt, van MRV-06-P-3 sẽ mở để xả dầu về thùng, giúp giảm áp và duy trì áp suất ổn định. Khi áp suất trở lại mức cho phép, van tự động đóng và hệ thống tiếp tục hoạt động bình thường.
🏭 Ứng dụng thực tế
Van áp MRV-06-P-3 được ứng dụng rộng rãi trong:
- Bộ nguồn thủy lực công nghiệp
- Máy ép, máy dập, máy gia công thủy lực
- Hệ thống nâng hạ và bàn nâng
- Dây chuyền tự động hóa
- Các hệ thống cần kiểm soát áp suất chính xác
✅ Vì sao nên chọn van áp MRV-06-P-3?
- Kiểm soát áp suất ổn định và chính xác
- Bảo vệ bơm và các thiết bị thủy lực hiệu quả
- Chuẩn module CETOP, dễ lắp đặt và bảo trì
- Phù hợp cho nhiều hệ thống thủy lực hiện nay













