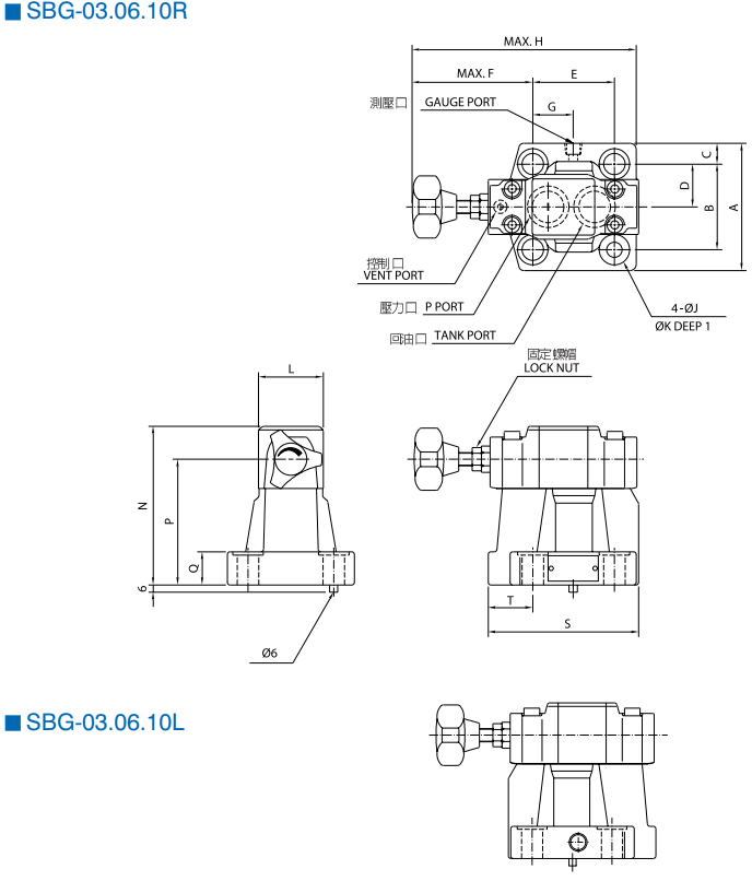
Van áp SBG-03-3
Thông số sản phẩm
Xuất xứ :
Model:
Lưu lượng:
Áp suất:
Camel-Taiwan
SBG-03-3
100 lít/phút
250 bar
Mô tả sản phẩm
⚙️ Van áp RVT-10-3 – Van xả áp trực tiếp cho hệ thống thủy lực tải trọng rất lớn
- Van áp RVT-10-3 là van xả áp trực tiếp (direct acting relief valve), chuyên dùng để giới hạn và bảo vệ áp suất trong các hệ thống thủy lực công suất và tải trọng rất lớn. Khi áp suất vượt mức cài đặt, van sẽ mở xả dầu về thùng, giúp bảo vệ bơm, đường ống và các thiết bị thủy lực, đảm bảo hệ thống vận hành an toàn và ổn định lâu dài.
Thông số kỹ thuật cơ bản


Ưu điểm nổi bật của van áp RVT-10-3
- Xả áp nhanh và chính xác khi áp suất vượt ngưỡng cài đặt
- Cấu tạo tác động trực tiếp, phản hồi nhanh, phù hợp hệ thống tải lớn
- Kết cấu chắc chắn, chịu áp cao, làm việc bền bỉ trong môi trường công nghiệp nặng
- Dễ điều chỉnh áp suất, thuận tiện cho lắp đặt, vận hành và bảo trì
- Độ bền cao, giúp giảm chi phí sửa chữa và bảo dưỡng
Nguyên lý hoạt động
- Van áp RVT-10-3 hoạt động theo nguyên lý tác động trực tiếp
- Khi áp suất dầu trong hệ thống vượt quá lực lò xo đã cài đặt, van mở để xả dầu về thùng
- Khi áp suất giảm xuống mức an toàn, van tự động đóng lại
- Duy trì áp suất ổn định và bảo vệ các thiết bị thủy lực trong hệ thống
Ứng dụng thực tế
Van áp RVT-10-3 được sử dụng rộng rãi trong:
- Bộ nguồn thủy lực công suất rất lớn
- Hệ thống bảo vệ bơm thủy lực
- Máy ép, máy dập tải trọng lớn
- Dây chuyền sản xuất công nghiệp nặng
- Các mạch thủy lực yêu cầu xả áp nhanh và ổn định
Vì sao nên chọn van áp RVT-10-3?
- Bảo vệ hệ thống thủy lực hiệu quả trước tình trạng quá áp
- Phù hợp với các hệ thống công suất và tải trọng rất lớn
- Chuẩn CETOP phổ biến, dễ lắp đặt và thay thế
- Độ bền cao, vận hành ổn định lâu dài
- Nâng cao hiệu suất và tuổi thọ cho toàn bộ hệ thống thủy lực













