Van áp SBG-06-3
Thông số sản phẩm
Xuất xứ:
Model:
Lưu lượng:
Áp suất :
Camel-Taiwan
SBG-06-3
200 lít/phút
250 bar
Mô tả sản phẩm
⚙️ Van áp SBG-06-3 – Van chỉnh áp thủy lực lắp đế ổn định, chính xác
- Van áp SBG-06-3 là dòng van chỉnh áp (van an toàn) thủy lực được sử dụng phổ biến trong các hệ thống thủy lực công nghiệp nhằm giới hạn và ổn định áp suất làm việc. Khi áp suất trong hệ thống vượt quá giá trị cài đặt, van sẽ mở để xả dầu về thùng, giúp bảo vệ bơm, đường ống và các thiết bị thủy lực, đảm bảo hệ thống vận hành an toàn và bền bỉ.
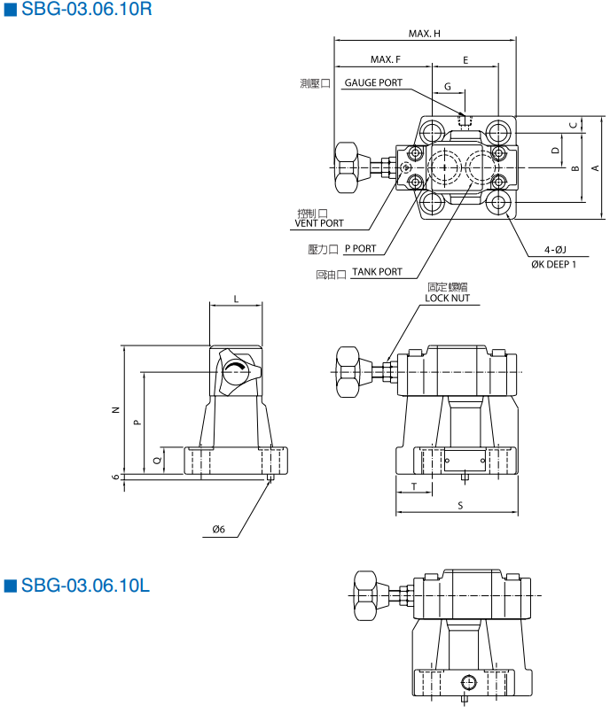
- Van áp SBG-06-3 được thiết kế lắp đế theo chuẩn CETOP 03 / NG06, dễ dàng lắp đặt, thay thế và phù hợp với nhiều hệ thống thủy lực tiêu chuẩn hiện nay.
Thông số kỹ thuật cơ bản


Ưu điểm nổi bật của van áp SBG-06-3
- Điều chỉnh áp suất chính xác, ổn định trong quá trình vận hành
- Giúp bảo vệ bơm, van và các thiết bị thủy lực khỏi tình trạng quá áp
- Kết cấu chắc chắn, chịu áp tốt, tuổi thọ cao
- Thiết kế lắp đế chuẩn CETOP, dễ lắp đặt và thay thế
- Dễ dàng điều chỉnh áp suất, thuận tiện cho bảo trì và vận hành
Nguyên lý hoạt động
- Van áp SBG-06-3 hoạt động theo nguyên lý xả áp khi áp suất vượt ngưỡng cài đặt
- Khi áp suất dầu trong hệ thống tăng vượt lực lò xo đã chỉnh, van mở để xả dầu về thùng
- Khi áp suất giảm xuống mức an toàn, van tự động đóng lại
- Hệ thống luôn được duy trì áp suất ổn định và an toàn
Ứng dụng thực tế
Van áp SBG-06-3 được sử dụng phổ biến trong:
- Bộ nguồn thủy lực công nghiệp
- Hệ thống bảo vệ bơm thủy lực
- Máy ép, máy dập cỡ vừa
- Dây chuyền sản xuất tự động
- Các mạch thủy lực yêu cầu kiểm soát áp suất ổn định
Vì sao nên chọn van áp SBG-06-3?
- Giải pháp hiệu quả để bảo vệ hệ thống thủy lực khỏi quá áp
- Phù hợp với nhiều hệ thống thủy lực tiêu chuẩn NG06
- Chuẩn CETOP phổ biến, dễ thay thế và nâng cấp
- Độ bền cao, vận hành ổn định lâu dài
- Giúp giảm chi phí bảo trì và nâng cao hiệu suất hệ thống













