Van tiết lưu SDF-06
Thông số sản phẩm
Xuất xứ:
Model:
Lưu lượng:
Áp suất:
Camel-Taiwan
SDF-06
120 lít/phút
210 bar
Mô tả sản phẩm
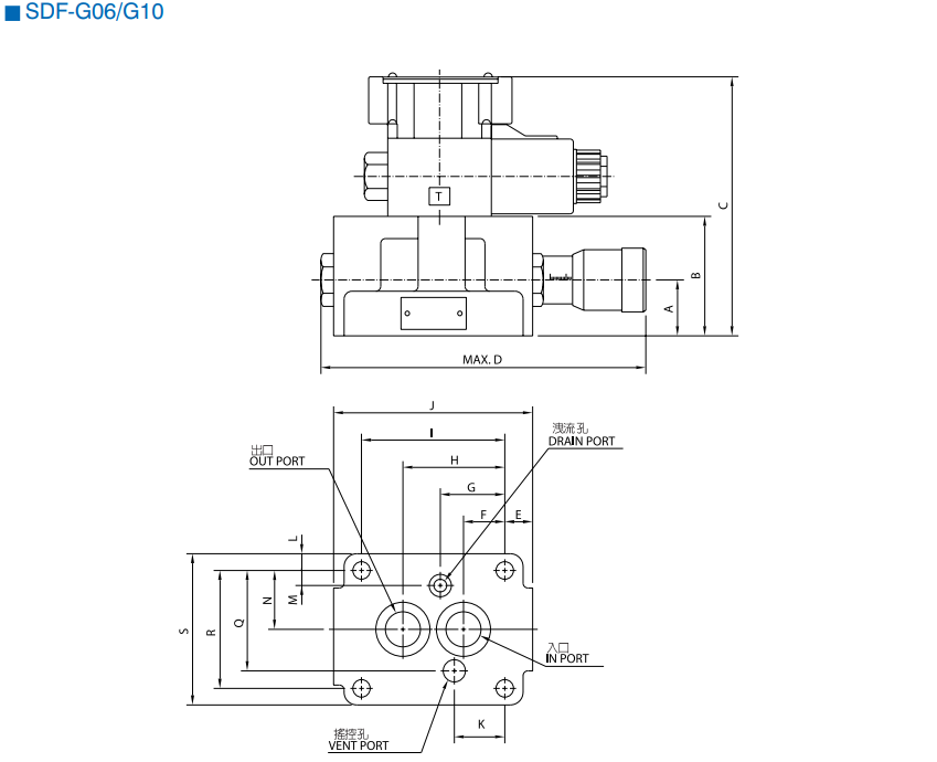
⚙️ Van tiết lưu SDF-06 – Van điều chỉnh lưu lượng dầu thủy lực chuẩn G06
- Van tiết lưu SDF-06 là dòng van điều chỉnh lưu lượng thủy lực, dùng để kiểm soát tốc độ dòng dầu trong hệ thống, từ đó điều chỉnh tốc độ hoạt động của xi lanh và mô tơ thủy lực. Van được thiết kế theo chuẩn lắp đế G06 (CETOP 03), dễ dàng lắp đặt và thay thế trong các mạch thủy lực tiêu chuẩn.
- SDF-06 giúp hệ thống vận hành ổn định, chính xác, giảm rung giật và nâng cao tuổi thọ thiết bị.
📌 Thông số kỹ thuật van tiết lưu SDF-06


⭐ Ưu điểm nổi bật của van tiết lưu SDF-06
- Điều chỉnh lưu lượng mượt và chính xác
- Giúp kiểm soát tốc độ xi lanh ổn định
- Thiết kế nhỏ gọn, chuẩn G06 phổ biến
- Chịu áp cao, làm việc bền bỉ
- Dễ lắp đặt, dễ bảo trì và thay thế
⚙️ Nguyên lý hoạt động
- Van tiết lưu SDF-06 hoạt động bằng cách thay đổi tiết diện dòng chảy thông qua vít chỉnh. Khi điều chỉnh vít, lưu lượng dầu qua van tăng hoặc giảm, từ đó điều khiển tốc độ chuyển động của cơ cấu chấp hành theo yêu cầu vận hành.
🏭 Ứng dụng thực tế
Van tiết lưu SDF-06 được sử dụng rộng rãi trong:
- Bộ nguồn thủy lực tiêu chuẩn G06
- Máy ép, máy chấn, máy dập
- Hệ thống điều khiển tốc độ xi lanh thủy lực
- Dây chuyền sản xuất công nghiệp
- Các mạch thủy lực cần điều chỉnh lưu lượng chính xác
✅ Vì sao nên chọn van tiết lưu SDF-06?
- Kiểm soát lưu lượng hiệu quả, vận hành ổn định
- Phù hợp nhiều hệ thống thủy lực hiện nay
- Chuẩn G06 dễ thay thế và lắp đặt
- Độ bền cao, chi phí vận hành thấp













