Van tiết lưu SDF-10
Thông số sản phẩm
Xuất xứ:
Model:
Lưu lượng:
Áp suất:
Camel-Taiwan
SDF-10
240 lít/phút
210 bar
Mô tả sản phẩm
⚙️ Van tiết lưu SDF-10 – Van điều chỉnh lưu lượng cho hệ thống thủy lực tải lớn
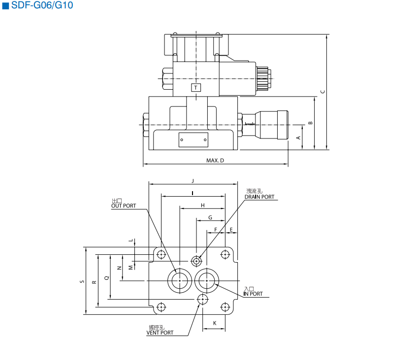
- Van tiết lưu SDF-10 là dòng van điều chỉnh lưu lượng dầu thủy lực, dùng để kiểm soát lưu lượng và tốc độ chuyển động của xi lanh, mô tơ thủy lực trong các hệ thống có lưu lượng và tải trọng lớn. Van được thiết kế theo chuẩn lắp đế G10 (CETOP 05 / NG25), phù hợp cho các bộ nguồn thủy lực công suất cao.
- SDF-10 giúp hệ thống vận hành ổn định, chính xác, hạn chế rung giật và tăng độ bền cho toàn bộ mạch thủy lực.
📌 Thông số kỹ thuật van tiết lưu SDF-10


⭐ Ưu điểm nổi bật của van tiết lưu SDF-10
- Điều chỉnh lưu lượng ổn định và chính xác
- Phù hợp hệ thống công suất và lưu lượng lớn
- Kết cấu chắc chắn, chịu áp cao
- Chuẩn G10 phổ biến, dễ lắp đặt và thay thế
- Hoạt động bền bỉ trong môi trường công nghiệp nặng
⚙️ Nguyên lý hoạt động
- Van tiết lưu SDF-10 hoạt động bằng cách thay đổi tiết diện dòng chảy thông qua vít chỉnh. Khi vặn vít điều chỉnh, lưu lượng dầu đi qua van tăng hoặc giảm, từ đó điều khiển tốc độ hoạt động của xi lanh và mô tơ thủy lực theo yêu cầu vận hành.
🏭 Ứng dụng thực tế
Van tiết lưu SDF-10 được sử dụng trong:
- Bộ nguồn thủy lực công suất lớn
- Máy ép, máy dập, máy chấn tải nặng
- Hệ thống điều khiển tốc độ xi lanh thủy lực
- Dây chuyền sản xuất công nghiệp nặng
- Các mạch thủy lực yêu cầu lưu lượng lớn và ổn định
✅ Vì sao nên chọn van tiết lưu SDF-10?
- Điều chỉnh lưu lượng hiệu quả cho hệ thống tải lớn
- Chuẩn G10 dễ thay thế, đồng bộ hệ thống
- Độ bền cao, vận hành ổn định lâu dài
- Giảm rung giật, bảo vệ thiết bị thủy lực













