Van tiết lưu SF-G10-E
Thông số sản phẩm
Xuất xứ:
Model:
Lưu lượng:
Áp suất:
Camel-Taiwan
SF-G10-E
240 lít/phút
210 bar
Mô tả sản phẩm
⚙️ Van tiết lưu SF-G10-E – Van điều chỉnh lưu lượng cho hệ thống thủy lực cỡ lớn
- Van tiết lưu SF-G10-E là dòng van điều chỉnh lưu lượng (flow control valve) chuyên dùng để kiểm soát tốc độ dòng dầu trong các hệ thống thủy lực cỡ lớn. Sản phẩm giúp điều chỉnh tốc độ xi lanh, mô tơ thủy lực một cách chính xác, đảm bảo hệ thống vận hành ổn định, an toàn và bền bỉ trong môi trường công nghiệp.
- Van SF-G10-E được thiết kế theo chuẩn lắp đế CETOP, dễ dàng lắp đặt, thay thế và tương thích với nhiều hệ thống thủy lực phổ biến hiện nay.
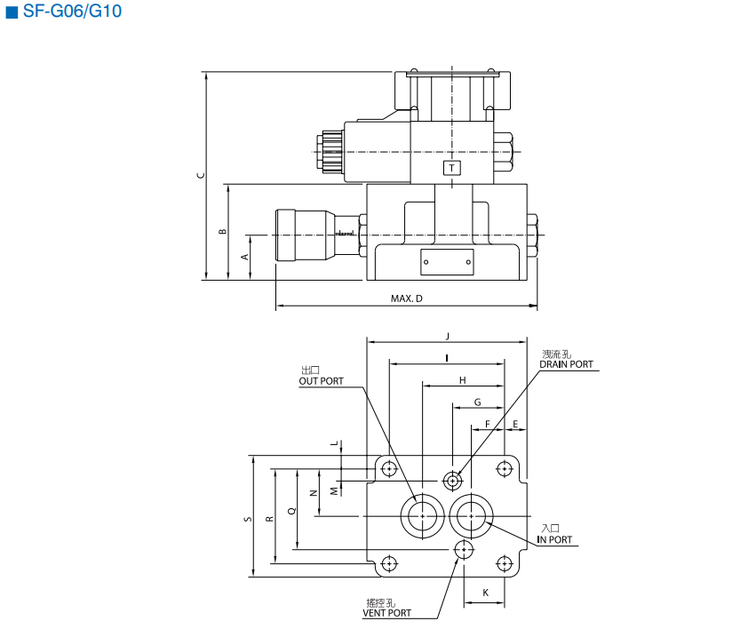
📌 Thông số kỹ thuật van tiết lưu SF-G10-E


⭐ Ưu điểm nổi bật của van tiết lưu SF-G10-E
- Điều chỉnh lưu lượng mượt và chính xác, giúp kiểm soát tốc độ ổn định
- Kết cấu chắc chắn, chịu áp cao, phù hợp hệ thống công suất lớn
- Chuẩn CETOP phổ biến, dễ lắp đặt và thay thế
- Hoạt động bền bỉ, ít hao mòn, tuổi thọ cao
- Phù hợp nhiều mạch thủy lực công nghiệp khác nhau
⚙️ Nguyên lý hoạt động
- Van tiết lưu SF-G10-E hoạt động bằng cách thay đổi tiết diện dòng chảy thông qua vít chỉnh. Khi điều chỉnh vít, lưu lượng dầu đi qua van sẽ tăng hoặc giảm, từ đó điều chỉnh tốc độ chuyển động của xi lanh hoặc mô tơ thủy lực theo yêu cầu vận hành.
🏭 Ứng dụng thực tế
Van tiết lưu SF-G10-E được sử dụng rộng rãi trong:
- Bộ nguồn thủy lực công suất lớn
- Máy ép thủy lực, máy dập, máy chấn
- Dây chuyền sản xuất công nghiệp
- Hệ thống điều khiển tốc độ xi lanh thủy lực
- Các mạch thủy lực yêu cầu điều chỉnh lưu lượng chính xác
✅ Vì sao nên chọn van tiết lưu SF-G10-E?
- Kiểm soát lưu lượng và tốc độ hiệu quả, ổn định
- Phù hợp hệ thống thủy lực cỡ lớn, áp suất cao
- Thiết kế tiêu chuẩn, dễ bảo trì và thay thế
- Giải pháp tối ưu cho các hệ thống yêu cầu độ chính xác cao













