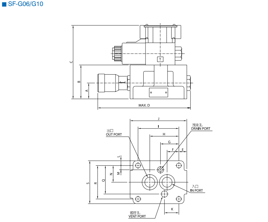
Van tiết lưu SF-G06-E
Thông số sản phẩm
Xuất xứ:
Model:
Lưu lượng:
Áp suất:
Camel-Taiwan
SF-G06-E
120 lít/phút
210 bar
Mô tả sản phẩm
⚙️ Van tiết lưu SF-G06-E – Van điều chỉnh lưu lượng cho hệ thống thủy lực
- Van tiết lưu SF-G06-E là dòng van điều chỉnh lưu lượng dầu thủy lực, dùng để kiểm soát tốc độ chuyển động của xi lanh và mô tơ thủy lực trong các hệ thống công nghiệp. Van giúp hệ thống vận hành ổn định, chính xác và an toàn, đặc biệt phù hợp với các mạch thủy lực tiêu chuẩn CETOP.
- Sản phẩm được thiết kế lắp đế G06, dễ lắp đặt, dễ thay thế và tương thích với nhiều bộ nguồn thủy lực hiện nay.
📌 Thông số kỹ thuật van tiết lưu SF-G06-E


⭐ Ưu điểm nổi bật của van tiết lưu SF-G06-E
- Điều chỉnh lưu lượng chính xác, ổn định
- Giúp kiểm soát tốc độ xi lanh và mô tơ hiệu quả
- Thiết kế gọn gàng, chuẩn CETOP G06 phổ biến
- Chịu áp cao, làm việc bền bỉ trong môi trường công nghiệp
- Dễ lắp đặt, dễ bảo trì và thay thế
⚙️ Nguyên lý hoạt động
- Van tiết lưu SF-G06-E hoạt động bằng cách thay đổi tiết diện dòng chảy thông qua vít chỉnh. Khi vặn vít, lưu lượng dầu đi qua van tăng hoặc giảm, từ đó điều chỉnh tốc độ chuyển động của cơ cấu chấp hành theo yêu cầu sử dụng.
🏭 Ứng dụng thực tế
Van tiết lưu SF-G06-E thường được sử dụng trong:
- Bộ nguồn thủy lực tiêu chuẩn
- Máy ép, máy dập, máy chấn
- Hệ thống điều khiển tốc độ xi lanh thủy lực
- Dây chuyền sản xuất công nghiệp
- Các mạch thủy lực yêu cầu điều chỉnh lưu lượng ổn định
✅ Vì sao nên chọn van tiết lưu SF-G06-E?
- Kiểm soát lưu lượng và tốc độ hiệu quả
- Phù hợp nhiều hệ thống thủy lực phổ biến
- Chuẩn lắp G06 dễ thay thế
- Độ bền cao, vận hành ổn định lâu dài













