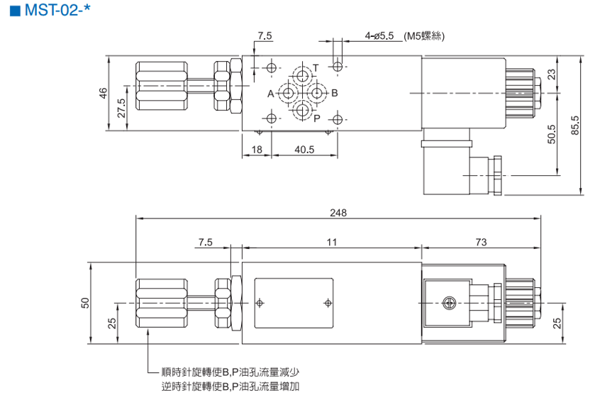
Van tiết lưu MST-02-T-A240-N
Thông số sản phẩm
Xuất xứ:
Model:
Lưu lượng:
Áp suất:
Camel-Taiwan
MST-02-T-A240-N
20 lít/phút
70 bar
Mô tả sản phẩm
🔧 Van điện từ MST-02-T-A240-N – Điều khiển đóng/mở đường hồi dầu chính xác
- Van điện từ MST-02-T-A240-N là van điện từ thủy lực dạng module, dùng để điều khiển đóng/mở dòng dầu tại cổng T (đường hồi) trong hệ thống thủy lực. Sản phẩm giúp kiểm soát quá trình xả dầu, đảm bảo hệ thống vận hành ổn định, an toàn và dễ dàng tích hợp vào các mạch điều khiển tự động.
📌 Thông số kỹ thuật cơ bản


⭐ Ưu điểm nổi bật của van điện MST-02-T-A240-N
Van cho khả năng đóng/mở dòng dầu nhanh, phản hồi chính xác theo tín hiệu điện.
Thiết kế dạng module giúp lắp đặt gọn gàng, dễ tích hợp vào cụm van phân phối.
Cuộn coil hoạt động ổn định, phù hợp hệ thống làm việc liên tục.
Kết cấu chắc chắn, chịu áp cao, đảm bảo độ bền và tuổi thọ lâu dài.
⚙️ Nguyên lý hoạt động
- Khi cấp điện cho cuộn coil, van MST-02-T-A240-N sẽ mở cho dầu hồi về thùng qua cổng T. Khi ngắt điện, van đóng lại, chặn dòng dầu hồi. Cách điều khiển này giúp kiểm soát hiệu quả quá trình xả dầu và dễ dàng kết nối với PLC hoặc hệ thống điều khiển tự động.
🏭 Ứng dụng thực tế
Van điện từ MST-02-T-A240-N được sử dụng phổ biến trong:
- Bộ nguồn thủy lực tự động
- Hệ thống điều khiển xi lanh thủy lực
- Mạch xả dầu có điều khiển
- Máy ép, máy dập, máy gia công
- Dây chuyền sản xuất tự động hóa
✅ Vì sao nên chọn van điện MST-02-T-A240-N?
- Điều khiển đóng/mở đường hồi dầu chính xác
- Phù hợp hệ thống thủy lực tự động
- Chuẩn module CETOP, dễ lắp đặt và bảo trì
- Độ bền cao, vận hành ổn định













