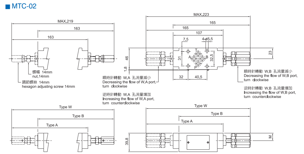
Van tiết lưu MTC-02-W-1
Thông số sản phẩm
Xuất xứ:
Model:
Lưu lượng:
Áp suất:
Camel-Taiwan
MTC-02-W-1
50 lít/phút
250 bar
Mô tả sản phẩm
🔧 Van tiết lưu thủy lực MTC-02-W-1 – Điều chỉnh lưu lượng chính xác, kiểm soát tốc độ ổn định
- Van tiết lưu MTC-02-W-1 là van điều chỉnh lưu lượng thủy lực dạng module, dùng để kiểm soát lưu lượng dầu qua van, từ đó điều chỉnh tốc độ chuyển động của xi lanh hoặc motor thủy lực. Sản phẩm phù hợp cho các hệ thống yêu cầu điều khiển tốc độ ổn định, chính xác và lắp đặt gọn gàng.
📌 Thông số kỹ thuật cơ bản


⭐ Ưu điểm nổi bật của van tiết lưu MTC-02-W-1
- Van cho phép điều chỉnh lưu lượng mượt và chính xác, giúp kiểm soát tốt tốc độ làm việc của cơ cấu chấp hành.
- Thiết kế dạng module giúp lắp đặt gọn gàng, dễ tích hợp vào cụm van phân phối thủy lực.
- Kết cấu chắc chắn, chịu áp cao, vận hành ổn định trong môi trường công nghiệp.
- Giảm rung giật, giúp chuyển động của xi lanh và motor êm ái hơn.
⚙️ Nguyên lý hoạt động
- Van tiết lưu MTC-02-W-1 hoạt động bằng cách thu hẹp hoặc mở rộng tiết diện dòng chảy dầu thông qua vít chỉnh. Khi lưu lượng dầu thay đổi, tốc độ chuyển động của xi lanh hoặc motor thủy lực sẽ thay đổi tương ứng, giúp kiểm soát quá trình vận hành theo yêu cầu.
🏭 Ứng dụng thực tế
Van tiết lưu MTC-02-W-1 được sử dụng phổ biến trong:
- Bộ nguồn thủy lực công nghiệp
- Hệ thống điều khiển tốc độ xi lanh thủy lực
- Máy ép, máy dập, máy gia công cơ khí
- Dây chuyền tự động hóa
- Các mạch thủy lực yêu cầu điều chỉnh tốc độ chính xác
✅ Vì sao nên chọn van tiết lưu MTC-02-W-1?
- Điều chỉnh lưu lượng chính xác, ổn định
- Kiểm soát tốt tốc độ cơ cấu chấp hành
- Thiết kế module chuẩn CETOP, dễ lắp đặt
- Độ bền cao, phù hợp môi trường công nghiệp













