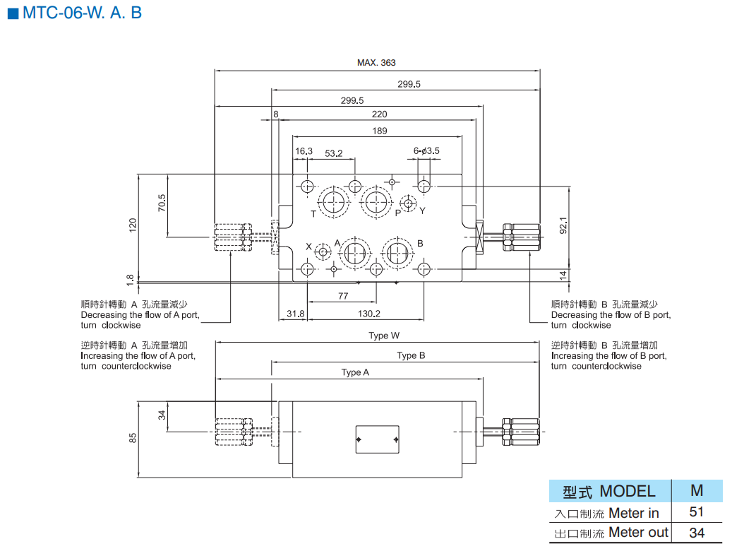
Van tiết lưu MTC-06-W-1
Thông số sản phẩm
Xuất xứ:
Model:
Lưu lượng:
Áp suất:
Camel-Taiwan
MTC-06-W-1
180 lít/phút
250 bar
Mô tả sản phẩm
🔧 Van tiết lưu thủy lực MTC-06-W-1 – Kiểm soát lưu lượng chính xác cho hệ thống công suất lớn
- Van tiết lưu MTC-06-W-1 là van điều chỉnh lưu lượng thủy lực dạng module, dùng để kiểm soát lưu lượng dầu, từ đó điều chỉnh tốc độ làm việc của xi lanh hoặc motor thủy lực trong các hệ thống thủy lực công suất trung bình đến lớn. Sản phẩm giúp hệ thống vận hành ổn định, êm ái và chính xác.
📌 Thông số kỹ thuật cơ bản


⭐ Ưu điểm nổi bật của van tiết lưu MTC-06-W-1
Van cho khả năng điều chỉnh lưu lượng chính xác và ổn định, phù hợp các mạch thủy lực yêu cầu kiểm soát tốc độ.
Thiết kế dạng module giúp lắp đặt gọn gàng, dễ tích hợp vào cụm van phân phối.
Kết cấu chắc chắn, chịu áp cao, vận hành bền bỉ trong môi trường công nghiệp.
Giảm rung giật, giúp chuyển động của cơ cấu chấp hành êm ái và chính xác hơn.
⚙️ Nguyên lý hoạt động
- Van tiết lưu MTC-06-W-1 hoạt động bằng cách thay đổi tiết diện dòng chảy dầu thông qua vít chỉnh lưu lượng. Khi lưu lượng thay đổi, tốc độ chuyển động của xi lanh hoặc motor thủy lực sẽ thay đổi tương ứng, đáp ứng yêu cầu vận hành của hệ thống.
🏭 Ứng dụng thực tế
Van tiết lưu MTC-06-W-1 được ứng dụng rộng rãi trong:
- Bộ nguồn thủy lực công nghiệp
- Hệ thống điều khiển tốc độ xi lanh và motor thủy lực
- Máy ép, máy dập, máy gia công thủy lực
- Dây chuyền tự động hóa
- Các mạch thủy lực cần kiểm soát lưu lượng và tốc độ chính xác
✅ Vì sao nên chọn van tiết lưu MTC-06-W-1?
- Điều chỉnh lưu lượng ổn định và chính xác
- Kiểm soát tốt tốc độ cơ cấu chấp hành
- Chuẩn module CETOP, dễ lắp đặt và bảo trì
- Độ bền cao, phù hợp hệ thống thủy lực công nghiệp













