Van điện DHG-04-C2-A240-N
Thông số sản phẩm
Xuất xứ:
Model:
Điện áp:
Lưu lượng:
Áp suất:
Camel-Taiwan
DHG-04-C2-A240-N
12/24VDC, 110/220VAC
300 lít/phút
210 bar
Dùng cho nhiều hệ thống thủy lực tự động trong sản xuất công nghiệp.
Mô tả sản phẩm
Van điện DHG-04-C2-A240-N – Giải pháp điều khiển dòng dầu thủy lực chính xác
Van điện DHG-04-C2-A240-N là gì?
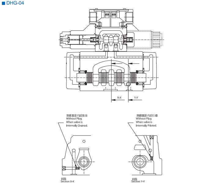
Van điện DHG-04-C2-A240-N là một van thủy lực điện từ dùng để điều khiển chuyển hướng dòng dầu thủy lực trong hệ thống. Tên mã này thể hiện rõ các thông số kỹ thuật chính của van:
- DHG – Dòng van điện thủy lực
- 04 – Kích thước port tương đương DN4 / G1/4"
- C2 – Kiểu cuộn điện / cấu hình van
- A240 – Điện áp cuộn điện 240V AC
- N – Lò xo hồi vị
- Van điện DHG-04-C2-A240-N được dùng phổ biến trong các hệ thống thủy lực công nghiệp, nơi cần điều khiển tự động dòng dầu đến các xi lanh, motor thủy lực hay các bộ phận chấp hành khác theo tín hiệu điện.
🔎 Thông số kỹ thuật nổi bật


Ưu điểm của van điện DHG-04-C2-A240-N
Van điện DHG-04-C2-A240-N có nhiều ưu điểm nổi bật:
- Điều khiển chính xác bằng tín hiệu điện – dễ tích hợp với PLC
- Phản hồi nhanh, hoạt động linh hoạt
- Thiết kế bền chắc, chịu áp lực cao
- Kết nối chuẩn G1/4" (DN4) – phù hợp đa số hệ thống thủy lực nhỏ và trung bình
- Dễ dàng lắp đặt và bảo trì
Nhờ các ưu điểm này, van điện giúp hệ thống vận hành ổn định, giảm thời gian chờ và nâng cao năng suất làm việc.
Ứng dụng van điện DHG-04-C2-A240-N trong thực tế
Van điện này được ứng dụng rộng rãi trong:
- Hệ thống thủy lực tự động hoá: Điều khiển xi lanh, motor theo tín hiệu PLC
- Máy ép thủy lực: Điều phối các pha di chuyển piston
- Thiết bị nâng hạ, băng tải: Tự động đóng/mở nguồn lực dầu
- Máy móc sản xuất: Kiểm soát dòng dầu cho các bộ phận chấp hành
- Các hệ thống yêu cầu thao tác đóng/ngắt nhanh, chính xác
Van phù hợp cả hệ thống mới lắp đặt hoặc nâng cấp cho các thiết bị công nghiệp.
Cách chọn van điện DHG-04-C2-A240-N phù hợp
Khi chọn van điện thủy lực, cần lưu ý:
- Kích thước port (04 / G1/4”) – tương thích đường ống
- Điện áp cuộn điện (A240 → 240V AC) – phải trùng với nguồn điện sử dụng
- Số cửa – vị trí – phục vụ chức năng điều khiển mong muốn
- Áp suất làm việc tối đa – phù hợp với hệ thống
- Tốc độ đáp ứng – quan trọng khi điều khiển tự động
Việc chọn đúng van sẽ giúp hệ thống hoạt động ổn định, an toàn, hạn chế sự cố và nâng cao tuổi thọ thiết bị.
Vì sao nên chọn van điện DHG-04-C2-A240-N tại HDL?
Khi bạn lựa chọn van điện tại HDL, bạn sẽ nhận được:
- Sản phẩm chất lượng – chuẩn công nghiệp
- Tư vấn kỹ thuật chính xác, đáp ứng nhu cầu hệ thống
- Hỗ trợ chọn model phù hợp kích thước & áp lực
- Báo giá minh bạch, phản hồi nhanh
- Hỗ trợ bảo trì – bảo hành trọn đời
HDL cam kết cung cấp van điện thủy lực DHG-04-C2-A240-N cùng các phụ kiện đi kèm để hệ thống thủy lực của bạn vận hành ổn định – bền bỉ – hiệu quả, giúp tối ưu quy trình sản xuất và giảm chi phí bảo trì.













