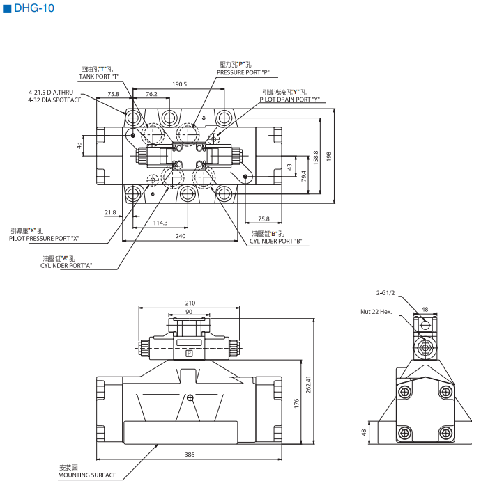
Van điện DHG-10-C6-A240-N
Thông số sản phẩm
Xuất xứ:
Model:
Điện áp:
Lưu lượng:
Áp suất:
Camel-Taiwan
DHG-10-C6-A240-N
12/24VDC, 110/220VAC
1100 lít/phút
210 bar
Dùng cho các hệ thống thủy lực công nghiệp nặng yêu cầu lưu lượng dầu lớn, phản hồi nhanh và độ bền vượt trội.
Mô tả sản phẩm
Van điện từ thủy lực DHG-10-C6-A240-N – Hoạt động mạnh mẽ, hiệu suất cao & bền bỉ
- Van điện thủy lực DHG-10-C6-A240-N là dòng van điện từ điều khiển hướng cỡ lớn, được thiết kế theo tiêu chuẩn công nghiệp CETOP/NG32 dành cho các hệ thống thủy lực công nghiệp nặng yêu cầu lưu lượng dầu lớn, phản hồi nhanh và độ bền vượt trội. Sản phẩm là lựa chọn lý tưởng cho máy móc tự động hóa, bộ nguồn thủy lực, hệ thống nâng hạ và dây chuyền sản xuất quy mô lớn.
🔎 Thông số kỹ thuật nổi bật


⭐ Ưu điểm nổi bật của DHG-10-C6-A240-N
✅ Thiết kế cho công suất lớn
Van xử lý lưu lượng dầu cao, phù hợp ứng dụng trong hệ thống thủy lực công nghiệp nặng, giúp vận hành ổn định ở tải lớn mà không giảm hiệu suất.
✅ Phản hồi nhanh, điều khiển chính xác
Cuộn điện từ hoạt động nhạy bén theo tín hiệu điện, giúp điều chỉnh dòng chảy dầu nhanh và chính xác theo yêu cầu vận hành.
✅ Chịu tải lớn – bền bỉ theo thời gian
Vật liệu chắc chắn, thiết kế công nghiệp giúp van hoạt động ổn định, chịu áp lực cao và phù hợp môi trường làm việc khắc nghiệt.
✅ Lắp đặt & bảo trì thuận tiện
Chuẩn kích thước CETOP/NG32 giúp van tương thích với nhiều hệ thống thủy lực hiện hữu, dễ dàng lắp đặt và thay thế khi cần.
📌 Ứng dụng thực tế
Van điện từ DHG-10-C6-A240-N được ứng dụng rộng rãi trong:
- Hệ thống bộ nguồn thủy lực tự động hóa công nghiệp
- Máy ép thủy lực, máy dập & máy cắt công suất lớn
- Hệ thống nâng hạ thủy lực quy mô lớn
- Cơ cấu truyền động chính xác trong dây chuyền sản xuất
- Các thiết bị yêu cầu điều khiển dòng dầu chính xác trong môi trường khắc nghiệt
💡 Tại sao nên chọn DHG-10-C6-A240-N?
- Phù hợp hệ thống thủy lực công nghiệp lớn
- Vận hành chính xác – phản hồi nhanh
- Tuổi thọ cao, giảm chi phí bảo trì
- Dễ dàng lắp đặt theo chuẩn CETOP/NG32













