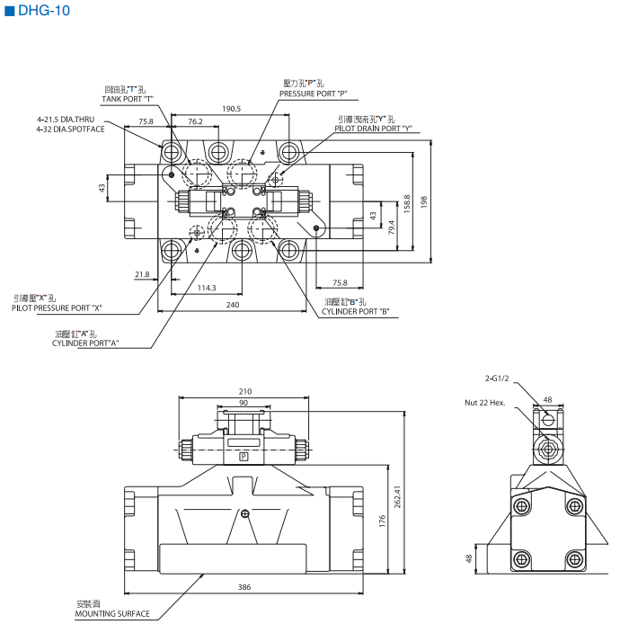
Van điện DHG-10-C4-A240-N
Thông số sản phẩm
Xuất xứ:
Model:
Điện áp:
Lưu lượng:
Áp suất:
Camel-Taiwan
DHG-10-C4-A240-N
12/24VDC, 110/220VAC
1100 lít/phút
210 bar
Dùng cho các hệ thống thủy lực công nghiệp nặng, tự động hóa sản xuất và máy móc công suất lớn.
Mô tả sản phẩm
Van điện từ thủy lực DHG-10-C4-A240-N – Vận hành chính xác, công suất lớn & bền bỉ
- Van điện thủy lực DHG-10-C4-A240-N là dòng van điều khiển điện từ hướng thủy lực kích thước lớn, được thiết kế để xử lý lưu lượng dầu lớn và áp lực cao, phù hợp cho các hệ thống thủy lực công nghiệp nặng, tự động hóa sản xuất và máy móc công suất lớn. Sản phẩm mang đến độ phản hồi nhanh, điều khiển chính xác và độ bền vượt trội, giúp tối ưu hiệu suất làm việc cho hệ thống thủy lực của bạn.
🔎 Thông số kỹ thuật nổi bật


⭐ Ưu điểm vượt trội của DHG-10-C4-A240-N
🔹 Hiệu suất cao & xử lý lưu lượng lớn
Van có khả năng xử lý dòng dầu lớn, phù hợp cho hệ thống thủy lực nặng và các ứng dụng cần tốc độ vận hành nhanh.
🔹 Điều khiển phản hồi nhanh – chính xác
Cuộn điện từ hoạt động hiệu quả theo tín hiệu, đảm bảo hướng dòng dầu đáp ứng nhu cầu thiết kế hệ thống.
🔹 Thiết kế bền bỉ – tuổi thọ cao
Vật liệu cấu tạo chất lượng, chịu áp lực lớn giúp van hoạt động ổn định trong thời gian lâu dài ngay cả ở môi trường công nghiệp khắc nghiệt.
🔹 Lắp đặt chuẩn công nghiệp – dễ bảo trì
Chuẩn CETOP/NG32 giúp van tương thích dễ dàng với hệ thống thủy lực công nghiệp hiện có, thuận tiện thay thế và bảo trì.
📌 Ứng dụng thực tế
Van điện từ DHG-10-C4-A240-N được ứng dụng rộng rãi trong các hệ thống:
- Bộ cấp nguồn thủy lực quy mô lớn trong sản xuất tự động
- Máy ép thủy lực, máy dập, máy cắt công suất cao
- Hệ thống nâng hạ thủy lực – cầu trục, bàn nâng lớn
- Dây chuyền sản xuất công nghiệp nặng
- Các cơ cấu truyền động yêu cầu lưu lượng lớn và độ điều khiển chính xác
💡 Tại sao nên chọn DHG-10-C4-A240-N?
- Phù hợp cho hệ thống thủy lực công nghiệp nặng
- Điều khiển dòng dầu chính xác và phản hồi nhanh
- Cấu tạo chắc chắn, giảm chi phí bảo trì
- Tương thích chuẩn lắp CETOP/NG32 – dễ thay thế













