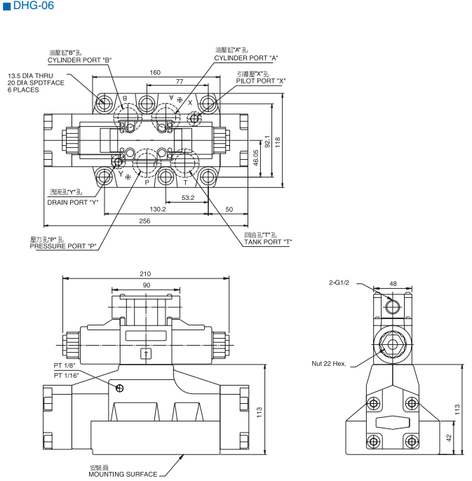
Van điện DHG-06-C4-A240-N
Thông số sản phẩm
Xuất xứ:
Model:
Điện áp:
Lưu lượng:
Áp suất:
Camel-Taiwan
DHG-06-C4-A240-N
12/24VDC, 110/220VAC
500 lít/phút
210 bar
Dùng hệ thống thủy lực công nghiệp nặng, tự động hóa và các ứng dụng yêu cầu phản hồi nhanh, độ chính xác cao và độ bền vượt trội.
Mô tả sản phẩm
Van điện từ thủy lực DHG-06-C4-A240-N – Hoạt động mạnh mẽ, chính xác & bền bỉ
- Van điện thủy lực DHG-06-C4-A240-N là dòng van điện từ điều khiển hướng có kích thước lớn và hiệu suất cao, được thiết kế cho các hệ thống thủy lực công nghiệp nặng, tự động hóa và các ứng dụng yêu cầu phản hồi nhanh, độ chính xác cao và độ bền vượt trội.
- Với khả năng điều chỉnh hướng dòng chảy dầu linh hoạt và hiệu quả, van DHG-06-C4-A240-N giúp tối ưu hệ thống, nâng cao hiệu suất vận hành và giảm chi phí bảo trì cho doanh nghiệp.
🔎 Thông số kỹ thuật nổi bật


⭐ Ưu điểm nổi bật của DHG-06-C4-A240-N
✅ Phản hồi nhanh & điều khiển chính xác
Van điện từ đáp ứng nhanh theo tín hiệu điện, giúp điều chỉnh dòng dầu chính xác theo yêu cầu hệ thống, nâng cao hiệu suất vận hành.
✅ Thiết kế bền bỉ – chịu tải nặng
Cấu tạo chắc chắn bằng vật liệu chịu lực chất lượng cao, giúp van vận hành ổn định trong các môi trường làm việc khắc nghiệt và tải trọng cao.
✅ Hoạt động ổn định – tuổi thọ lâu dài
Được thiết kế để hoạt động liên tục với độ bền cao, giảm thiểu hỏng hóc, giúp tối ưu chi phí bảo trì và nâng cao tuổi thọ tổng thể hệ thống.
✅ Lắp đặt nhanh chóng & bảo trì thuận tiện
Chuẩn kích thước CETOP/NG25 tương thích với nhiều hệ thống thủy lực công nghiệp hiện nay, giúp dễ dàng lắp đặt, thay thế và bảo dưỡng.
📌 Ứng dụng thực tế
Van điện từ DHG-06-C4-A240-N được sử dụng rộng rãi trong các hệ thống:
- Bộ nguồn thủy lực tự động hóa công nghiệp
- Máy ép, máy dập, máy cắt thủy lực kích thước lớn
- Hệ thống nâng hạ thủy lực – cầu trục, bàn nâng lớn
- Cơ cấu truyền động robot công nghiệp & dây chuyền tự động
- Thiết bị điều khiển lưu lượng chính xác trong nhà máy
💡 Tại sao nên chọn DHG-06-C4-A240-N?
- Điều khiển hướng dòng dầu nhanh & chính xác
- Phù hợp hệ thống thủy lực công suất lớn
- Vật liệu và thiết kế bền bỉ – tuổi thọ cao
- Lắp đặt chuẩn – dễ tương thích hệ thống













