Van điện DHG-10-C2-A240-N
Thông số sản phẩm
Xuất xứ:
Model:
Điện áp:
Lưu lượng:
Áp suất:
Camel-Taiwan
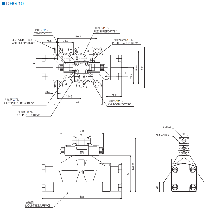
DHG-10-C2-A240-N
12/24VDC, 110/220VAC
1100 lít/phút
210 bar
Dùng cho các hệ thống thủy lực công nghiệp nặng.
Mô tả sản phẩm
Van điện từ thủy lực DHG-10-C2-A240-N – Hiệu suất cao, chịu tải lớn & bền bỉ
- Van điện thủy lực DHG-10-C2-A240-N là dòng van điện từ điều khiển hướng thủy lực kích thước lớn, chuyên dùng cho các hệ thống thủy lực công nghiệp nặng. Với thiết kế chuẩn công nghiệp, khả năng chịu áp lực và lưu lượng cao, sản phẩm giúp điều khiển dòng chảy dầu chính xác, đáp ứng yêu cầu vận hành tự động hóa phức tạp.
🔎 Thông số kỹ thuật nổi bật


⭐ Ưu điểm nổi bật của DHG-10-C2-A240-N
🔹 Công suất lớn – phù hợp hệ thống nặng
Van thiết kế để xử lý lưu lượng dầu lớn, đảm bảo vận hành hiệu quả trong hệ thống thủy lực công nghiệp quy mô lớn.
🔹 Phản hồi nhanh & điều khiển chính xác
Điện từ tiếp nhận tín hiệu điều khiển linh hoạt, giúp thay đổi hướng dòng chảy và vận hành theo mạch thiết kế tối ưu.
🔹 Chịu tải cao – bền bỉ theo thời gian
Cấu tạo từ vật liệu chịu lực tốt, van thích hợp với môi trường áp lực cao, hoạt động ổn định liên tục trong điều kiện công nghiệp khắc nghiệt.
🔹 Dễ lắp đặt & thay thế
Chuẩn kích thước công nghiệp CETOP/NG32 giúp van tương thích với hệ thống hiện hữu, thuận tiện cho lắp đặt, bảo trì và thay thế khi cần.
📌 Ứng dụng thực tế
Van điện từ DHG-10-C2-A240-N được sử dụng rộng rãi trong nhiều hệ thống thủy lực như:
- Bộ nguồn thủy lực cỡ lớn trong sản xuất tự động hóa
- Máy ép thủy lực, máy dập, máy cắt công suất lớn
- Hệ thống nâng hạ thủy lực – cầu trục, bàn nâng nặng
- Cơ cấu truyền động chính xác trong robot & dây chuyền công nghiệp
- Hệ thống xử lý dầu/thủy lực đòi hỏi lưu lượng lớn và độ tin cậy cao
💡 Tại sao nên chọn DHG-10-C2-A240-N?
- Thiết kế công nghiệp chuẩn – phù hợp hệ thống lớn
- Hiệu suất và lưu lượng dầu cao
- Phản hồi điều khiển nhanh, chính xác
- Độ bền vượt trội – giảm chi phí bảo trì













