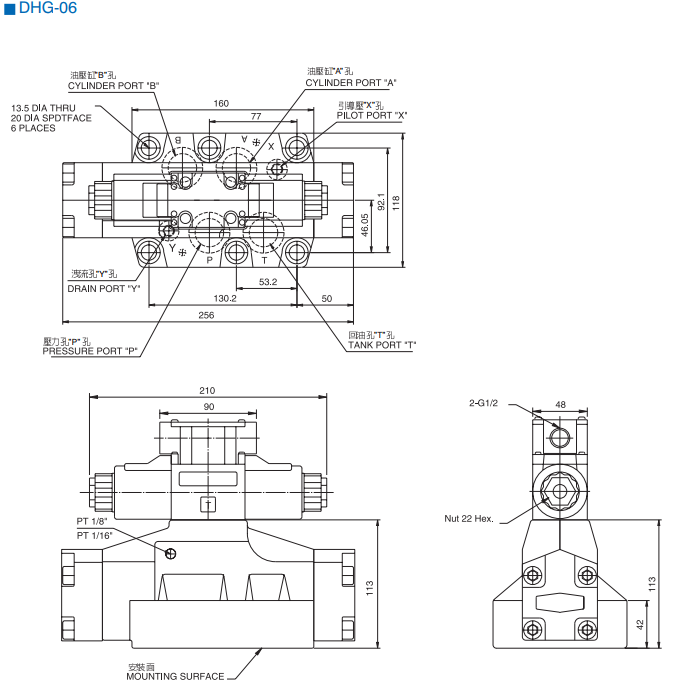
Van điện DHG-06-C6-A240-N
Thông số sản phẩm
Xuất xứ:
Model:
Điện áp:
Lưu lượng:
Áp suất:
Camel-Taiwan
DHG-06-C6-A240-N
12/24VDC, 110/220VAC
500 lít/phút
210 bar
Dùng cho các hệ thống thủy lực công nghiệp nặng, yêu cầu phản hồi nhanh, hoạt động chính xác và độ bền vượt trội.
Mô tả sản phẩm
Van điện từ thủy lực DHG-06-C6-A240-N – Hiệu suất cao, vận hành bền bỉ
- Van điện thủy lực DHG-06-C6-A240-N là van điện từ điều khiển hướng cỡ lớn được thiết kế theo tiêu chuẩn công nghiệp CETOP/NG25, phù hợp cho các hệ thống thủy lực công nghiệp nặng, yêu cầu phản hồi nhanh, hoạt động chính xác và độ bền vượt trội.
- Sản phẩm là lựa chọn tối ưu cho các ứng dụng tự động hóa, hệ thống máy ép, bộ nguồn thủy lực, máy dập, hệ thống nâng hạ công suất lớn, mang lại hiệu quả vận hành cao và chi phí bảo trì thấp.
🔎 Thông số kỹ thuật nổi bật


⭐ Ưu điểm nổi bật của DHG-06-C6-A240-N
✅ Phản hồi nhanh & điều khiển chính xác
Van điện từ hoạt động nhạy bén theo tín hiệu điều khiển, đảm bảo chuyển hướng dòng dầu nhanh chóng, nâng cao hiệu suất và độ chính xác của hệ thống.
✅ Hiệu suất cao – chạy ổn định trong môi trường khắc nghiệt
Thiết kế chắc chắn, vật liệu chịu lực và mài mòn tốt giúp van vận hành bền bỉ ngay cả dưới áp suất và tải trọng lớn.
✅ Tiết kiệm chi phí bảo trì
Hoạt động ổn định, ít sự cố giúp giảm thiểu chi phí bảo dưỡng định kỳ, nâng cao thời gian hoạt động liên tục cho hệ thống.
✅ Lắp đặt & bảo trì thuận tiện
Chuẩn kích thước CETOP/NG25 tương thích với hầu hết hệ thống thủy lực công nghiệp, giúp lắp đặt và thay thế nhanh chóng.
📌 Ứng dụng thực tế
Van điện từ DHG-06-C6-A240-N được ứng dụng rộng rãi trong:
- Bộ nguồn thủy lực tự động hóa công nghiệp
- Hệ thống máy ép thủy lực, máy dập, máy cắt công suất lớn
- Hệ thống nâng hạ thủy lực – cầu trục, bàn nâng nặng
- Cơ cấu truyền động chính xác trong robot & dây chuyền tự động hóa
- Các thiết bị yêu cầu phân phối dầu chính xác theo tải nặng
💡 Tại sao nên chọn DHG-06-C6-A240-N?
- Hoạt động chính xác, phản hồi nhanh
- Phù hợp cho hệ thống thủy lực công suất lớn
- Tuổi thọ cao – giảm chi phí bảo trì
- Tương thích chuẩn lắp CETOP/NG25 – dễ thay thế













