Van điện DHG-06-C2-A240-N
Thông số sản phẩm
Xuất xứ:
Model:
Điện áp:
Lưu lượng:
Áp suất:
Camel-Taiwan
DHG-06-C2-A240-N
12/24VDC, 110/220VAC
500 lít/phút
210 bar
Dùng cho các ứng dụng công nghiệp nặng, tự động hóa và các hệ thống điều khiển lưu lượng dầu phức tạp.
Mô tả sản phẩm
Van điện từ thủy lực DHG-06-C2-A240-N – Hiệu suất mạnh mẽ, chính xác và bền bỉ
- Van điện DHG-06-C2-A240-N là van điện từ điều khiển hướng thủy lực cỡ lớn, được thiết kế theo tiêu chuẩn công nghiệp nhằm đáp ứng nhu cầu vận hành ổn định, phản hồi nhanh và tuổi thọ lâu dài trong các hệ thống thủy lực chuyên nghiệp. Sản phẩm phù hợp cho các ứng dụng công nghiệp nặng, tự động hóa và các hệ thống điều khiển lưu lượng dầu phức tạp.
🔎 Thông số kỹ thuật nổi bật


⭐ Ưu điểm nổi bật của DHG-06-C2-A240-N
✅ Phản hồi nhanh & điều khiển chính xác
Van điều khiển linh hoạt theo tín hiệu điện từ, giúp hệ thống thay đổi hướng dòng dầu nhanh chóng, nâng cao hiệu suất vận hành.
✅ Thiết kế chắc chắn – chịu tải lớn
Cấu tạo bền bỉ với vật liệu chịu lực tốt, van làm việc ổn định trong điều kiện áp suất cao và môi trường khắc nghiệt.
✅ Hoạt động ổn định – tuổi thọ lâu dài
Được thiết kế cho công việc liên tục, van giảm tối đa rủi ro hỏng hóc, nâng cao tuổi thọ tổng thể của hệ thống thủy lực.
✅ Lắp đặt & bảo trì dễ dàng
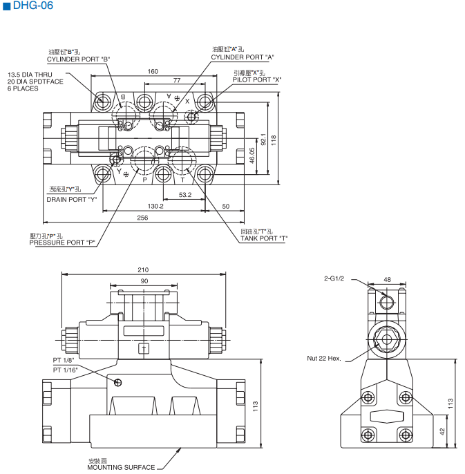
Chuẩn kích thước CETOP/NG25 giúp van tương thích với nhiều hệ thống thủy lực công nghiệp phổ biến, thuận tiện thay thế – bảo trì.
📌 Ứng dụng thực tế
Van điện từ DHG-06-C2-A240-N được sử dụng rộng rãi trong:
- Bộ nguồn thủy lực lớn cho hệ thống tự động hóa
- Máy ép thủy lực, máy dập, máy cắt cỡ lớn
- Hệ thống nâng hạ thủy lực – cầu trục, bàn nâng
- Cơ cấu truyền động chính xác trong robot công nghiệp
- Dây chuyền sản xuất công nghiệp nặng
💡 Tại sao nên chọn DHG-06-C2-A240-N?
✔ Điều khiển hướng dòng dầu nhanh & chính xác
✔ Phù hợp cho các hệ thống thủy lực công suất lớn
✔ Vật liệu bền bỉ – giảm chi phí bảo trì
✔ Lắp đặt tiêu chuẩn – dễ dàng thay thế













