Van chống lún MPC-06-W
Thông số sản phẩm
Xuất xứ:
Model:
Lưu lượng:
Áp suất:
Camel-Taiwan
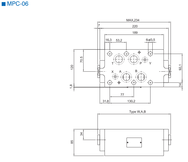
MPC-06-W
180 lít/phút
250 bar
Mô tả sản phẩm
🔒 Van chống lún MPC-06-W – Giữ tải an toàn cho hệ thống thủy lực công suất lớn
- Van chống lún MPC-06-W là van giữ tải thủy lực dạng module, được thiết kế để ngăn hiện tượng tụt áp, rơi tải hoặc trôi xi lanh trong các hệ thống thủy lực công suất lớn. Sản phẩm đặc biệt phù hợp cho những ứng dụng yêu cầu độ an toàn cao, tải trọng lớn và vận hành ổn định lâu dài.
📌 Thông số kỹ thuật cơ bản


⭐ Ưu điểm nổi bật của van chống lún MPC-06-W
- Khả năng giữ tải mạnh mẽ, phù hợp cho hệ thống tải trọng rất lớn.
- Thiết kế module chuẩn CETOP giúp lắp đặt gọn gàng, dễ tích hợp vào cụm van phân phối.
- Phản hồi nhanh, đảm bảo an toàn cho thiết bị và người vận hành.
- Kết cấu bền chắc, chịu áp cao, hoạt động ổn định trong môi trường công nghiệp nặng.
⚙️ Nguyên lý hoạt động
- Van chống lún MPC-06-W hoạt động dựa trên áp pilot điều khiển.
- Khi không có tín hiệu pilot, van ở trạng thái khóa, giữ áp tại xi lanh và ngăn tụt tải.
- Khi có tín hiệu điều khiển, van mở cho dầu lưu thông, giúp cơ cấu chấp hành hoạt động bình thường nhưng vẫn đảm bảo kiểm soát tải an toàn.
🏭 Ứng dụng thực tế
Van chống lún MPC-06-W được sử dụng phổ biến trong:
- Hệ thống xi lanh nâng hạ tải trọng lớn
- Máy ép, máy dập công suất cao
- Bàn nâng, thang nâng thủy lực công nghiệp
- Máy công trình, thiết bị cơ khí nặng
- Bộ nguồn thủy lực công suất lớn
✅ Vì sao nên chọn van chống lún MPC-06-W?
- Chống tụt tải hiệu quả, đảm bảo an toàn vận hành
- Phù hợp hệ thống thủy lực công suất và tải trọng lớn
- Chuẩn module CETOP, dễ lắp đặt và bảo trì
- Độ bền cao, tuổi thọ lâu dài













