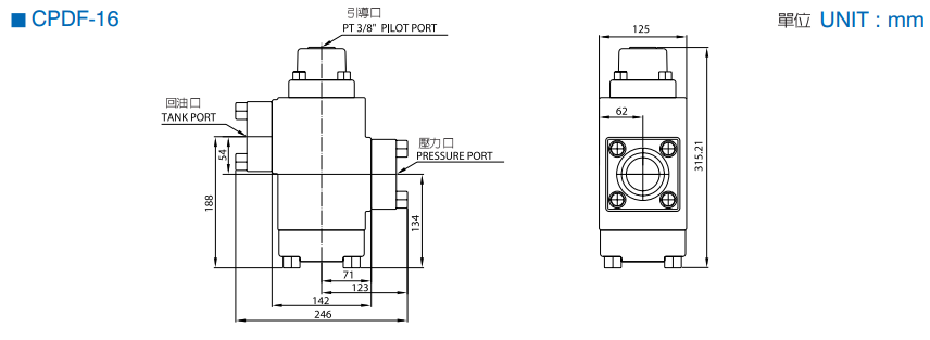
Van tự hút Camel-Taiwan CPDF-16
Thông số sản phẩm
Xuất xứ:
Model:
Lưu lượng:
Áp suất:
Camel-Taiwan
CPDF-16
400 lít/phút
210 bar
Mô tả sản phẩm
⚙️ VAN TỰ HÚT CPDF-16 – GIẢI PHÁP DUY TRÌ ÁP SUẤT & CHỐNG TỤT TẢI CHO HỆ THỐNG THỦY LỰC
- Van tự hút CPDF-16 là dòng van thủy lực chuyên dùng để tự hút dầu, duy trì áp suất và chống tụt tải, giúp hệ thống vận hành ổn định ngay cả khi dừng bơm hoặc mất áp đột ngột. Sản phẩm được ứng dụng phổ biến trong các mạch thủy lực yêu cầu độ an toàn và độ tin cậy cao.
Thông số kỹ thuật cơ bản


Ưu điểm nổi bật của van tự hút CPDF-16
- Tự động hút dầu, hạn chế xâm thực và sụt áp trong hệ thống
- Giữ áp hiệu quả, giúp xi lanh hoạt động ổn định
- Kết cấu chắc chắn, chịu tải và áp suất cao
- Giảm rung giật, tăng độ an toàn cho thiết bị
- Dễ lắp đặt, bảo trì đơn giản
Nguyên lý hoạt động
- Van tự hút CPDF-16 hoạt động dựa trên sự chênh lệch áp suất. Khi áp suất trong hệ thống giảm hoặc bơm ngừng hoạt động, van sẽ tự động hút dầu bổ sung để duy trì áp suất cần thiết, ngăn hiện tượng tụt tải và đảm bảo hệ thống vận hành ổn định.
Ứng dụng thực tế
- Bộ nguồn thủy lực công nghiệp
- Hệ thống xi lanh tải nặng
- Máy ép, máy dập, máy nâng hạ
- Mạch thủy lực yêu cầu giữ áp, chống tụt tải
- Dây chuyền sản xuất công nghiệp nặng
Vì sao nên chọn van tự hút CPDF-16?
- Giải pháp tự hút – giữ áp hiệu quả
- Phù hợp hệ thống tải lớn, áp suất cao
- Tăng tuổi thọ bơm và thiết bị thủy lực
- Vận hành ổn định, bền bỉ lâu dài













