Van tự hút Camel-Taiwan CPDF-24
Thông số sản phẩm
Xuất xứ:
Model:
Lưu lượng:
Áp suất:
Camel-Taiwan
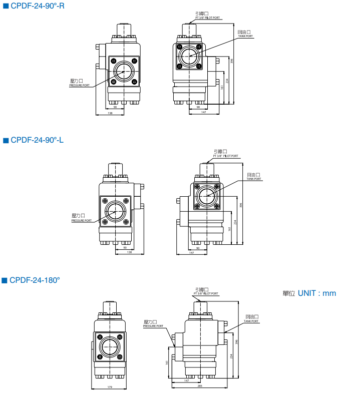
CPDF-24
900 lít/phút
210 bar
Mô tả sản phẩm
⚙️ VAN TỰ HÚT CPDF-24 – GIẢI PHÁP GIỮ ÁP & CHỐNG TỤT TẢI CHO HỆ THỐNG THỦY LỰC TẢI RẤT LỚN
- Van tự hút CPDF-24 là dòng van thủy lực chuyên dùng để tự hút dầu, duy trì áp suất và chống tụt tải, đặc biệt phù hợp cho các hệ thống thủy lực công suất và tải trọng rất lớn. Van giúp ổn định áp suất trong mạch, hạn chế sụt áp, rung giật và đảm bảo an toàn cho toàn bộ hệ thống khi bơm dừng hoặc áp suất thay đổi đột ngột.
Thông số kỹ thuật cơ bản


Ưu điểm nổi bật của van tự hút CPDF-24
- Tự động hút dầu khi áp suất giảm, hạn chế xâm thực bơm
- Giữ áp ổn định cho xi lanh và cơ cấu chấp hành tải lớn
- Kết cấu cứng vững, chịu áp và lưu lượng lớn
- Giảm rung giật, tăng độ an toàn cho hệ thống
- Hoạt động bền bỉ trong môi trường công nghiệp nặng
Nguyên lý hoạt động
- Van tự hút CPDF-24 hoạt động dựa trên chênh lệch áp suất trong mạch thủy lực. Khi áp suất giảm hoặc bơm ngừng hoạt động, van sẽ tự động mở để hút dầu bổ sung, duy trì áp suất cần thiết. Khi áp suất ổn định trở lại, van đóng kín, giúp hệ thống làm việc an toàn và liên tục.
Ứng dụng thực tế
- Bộ nguồn thủy lực công suất rất lớn
- Hệ thống xi lanh tải nặng, xi lanh nâng hạ
- Máy ép, máy dập công nghiệp nặng
- Thiết bị nâng, cẩu thủy lực
- Các mạch thủy lực yêu cầu giữ áp và chống tụt tải cao
Vì sao nên chọn van tự hút CPDF-24?
- Giải pháp hiệu quả cho hệ thống thủy lực tải rất lớn
- Giữ áp ổn định, bảo vệ bơm và thiết bị
- Phù hợp nhiều hệ thống công nghiệp nặng
- Độ bền cao, vận hành ổn định lâu dài













